Tuotteen yhteenveto
| RVE35-sarjan aurinkopumppu VFD | | |
| | DC/AC TULO | |
| | Hienostunut muotoilu | |
| | MPPT | |
| Parametrinen | ||
| Malli | RVE35-T3-280G ~ RVE35-T3-315G |
| Jännite | 350 VDC - 800/900 VDC -tulo, 3 PH 380 VAC - 440 VAC -tulo | |
| P-arvo (kW) | 280/315 | |
| Nimellisvirta (A) | 520/600/680 | |
| MPPT Vmp/Voc | 540/660 | |
| Mitat (mm) | 1035*620*400 | |
Sovelluksen taustat
| Viime vuosina maailmanlaajuisen "ruokaongelman" ja "energiaongelman" pahentuessa aurinkovesipumppuja on vähitellen ylistetty tehokkaiksi teollisen integraation tuotteiksi ratkaisemaan ongelman, joka liittyy tehokkaan viljelymaan tuotannon lisäämiseen ja fossiilisen energian korvaamiseen puhtaalla energialla. Tuloksena syntyi nouseva talousmalli, jossa aurinkoteollisuus kehittyi yhdessä perinteisten teollisuudenalojen, kuten maatalouden vesiensuojelun, aavikon hallinnan, kotitalouksien vedenkäytön ja kaupunkien vesimaiseman, kanssa. |
Tuotteen ominaisuudet
• Suurin tehopisteen seuranta (MPPT) nopealla vastenopeudella ja vakaalla toiminnalla
• Kuivakäyntisuojaus (kuormituksen alaisena).
• Moottorin maksimivirtasuojaus
• Tulovirtasuojaus
• Alhaisen pysäytystaajuuden suojaus
• PQ (teho/virtaus) -suorituskykykäyrä mahdollistaa pumpun tehon laskemisen
• Digitaalinen ohjaus täysautomaattiseen käyttöön, tiedon tallennus- ja suojatoimintoihin
• Älykäs tehomoduuli (IPM) pääpiirille
• LED-näytön käyttöpaneeli ja kaukosäätimen tuki
• Kaksitilan AC- ja DC-virtalähde on käytettävissä
• Matalan veden anturi ja vedenpinnan tason ohjaustoiminto
• Käyttöympäristön lämpötila: -10 - 50˚C.
| Hienostunut muotoilu Asennusalue pienentynyt 50 % Äänenvoimakkuus vähentynyt 30 % | |
| | Täysautomaattista kolminkertaista maalipinnoituskonetta käytetään piirilevyn suojakerroksen paksuuttamiseen, mikä ehkäisee tehokkaasti piirilevyn vaurioita, jotka aiheutuvat tuulen pölystä, syövyttävistä kaasuista ja kosteasta ilmasta. |
| | Ota käyttöön täysautomaattiset tunnistuslaitteet testataksesi erilaisia sähköisiä indikaattoreita ja tuotteiden suojatoimintoja nimelliskuormituksella. |
| | Kaikki valmiit tuotteet vanhennetaan kuormituksen alaisena 48 tuntia korkeassa 60 asteen lämpötilassa, minkä jälkeen kaikki sähköiset indikaattorit testataan kuormituksen alaisena, jotta tuotteen vikaantuminen vähenee. |
Mallin nimikkeistö
Yleinen tyyppi S2-sarja:
Vmp 310VDC tai 220VAC tulo, 1/3-vaihe 0-220VAC lähtö
| Malli | Arvioitu nykyinen ( A ) | Lähtöjännite ( VAC ) | Koskee tehopumppua (kW). | Aseman koon ulkoinen K*L*S (mm) | MPPT Vmp/Voc |
| RVE35-S2-0R7G | 4 | 0-220 | 0.75 | 187*86*152 | 310/372 |
| RVE35-S2-1R5G | 7 | 0-220 | 1.5 | ||
| RVE35-S2-2R2G | 10 | 0-220 | 2.2 | ||
| RVE35-S2-3G | 13 | 0-220 | 3 | 265*105*164 | |
| RVE35-S2-4G | 16 | 0-220 | 4 |
Yleinen tyyppi T3-sarja:
Vmp540 - 650 VDC tai 380 - 460 VAC tulo, 3-vaiheinen 0-380/460 VAC lähtö
| Malli | Arvioitu nykyinen ( A ) | Lähtöjännite ( VAC ) | Koskee tehopumppua (kW). | Aseman koon ulkoinen K*L*S (mm) | MPPT Vmp/Voc |
| RVE35-T3-0R7GB | 2,5/3,7 | 0-380/440 | 0.75 | 187*86*152 | 540/660 |
| RVE35-T3-1R5GB | 3,7/5 | 0-380/440 | 1.5 | ||
| RVE35-T3-2R2GB | 5/10 | 0-380/440 | 2.2 | ||
| RVE35-T3-4GB | 10/13 | 0-380/440 | 4.0 | ||
| RVE35-T3-5R5GB | 13/16 | 0-380/440 | 5.5 | 265*105*164 | |
| RVE35-T3-7R5GB (muovikotelo) | 16/25 | 0-380/440 | 7.5 | ||
| RVE35-T3-7R5GB (rautakotelo) | 16/25 | 0-380/440 | 7.5 | 333*150*216 | |
| RVE35-T3-11GB | 25/32 | 0-380/440 | 11 | ||
| RVE35-T3-15GB | 32/38 | 0-380/440 | 15 | ||
| RVE35-T3-18GB | 38/45 | 0-380/440 | 18 | 383*180*228 | |
| RVE35-T3-22GB | 45/60 | 0-380/440 | 22 | ||
| RVE35-T3-30GB | 60/75 | 0-380/440 | 30 | 435*175*265 | |
| RVE35-T3-37GB | 75/90 | 0-380/440 | 37 | ||
| RVE35-T3-45G | 90/110 | 0-380/440 | 45 | 670*265*358 | |
| RVE35-T3-55G | 110/150 | 0-380/440 | 55 | ||
| RVE35-T3-75G | 150/170 | 0-380/440 | 75 | ||
| RVE35-T3-90G | 170/210 | 0-380/440 | 90 | 845*305*358 | |
| RVE35-T3-110G | 210A/250 | 0-380/440 | 110 | ||
| RVE35-T3-132G | 250A/300 | 0-380/440 | 132 | ||
| RVE35-T3-160G | 300A/340 | 0-380/440 | 160 | 788*500*360 | |
| RVE35-T3-185G | 340/380 | 0-380/440 | 185 | ||
| RVE35-T3-200G | 380/415 | 0-380/440 | 200 | 900*540*358 | |
| RVE35-T3-220G | 415/470 | 0-380/440 | 220 | ||
| RVE35-T3-250G | 470/520 | 0-380/440 | 250 | ||
| RVE35-T3-280G | 520/600 | 0-380/440 | 280 | 1035*620*400 | |
| RVE35-T3-315G | 600/680 | 0-380/440 | 315 | ||
| RVE35-T3-355G | 680/750 | 0-380/440 | 355 | 1290*780*410 | |
| RVE35-T3-400G | 750/810 | 0-380/440 | 400 |
Erinomainen suorituskyky
| | Tehokas vektoriohjaus parantaa laitteiden tarkkuutta |
| Maksimilähtötaajuus vektoriohjauksessa saavuttaa 1 500 Hz, mikä voi saavuttaa erittäin tarkan nopeuden ulostulon 10-kertaisella heikon magneettisen nopeuden säätöalueella. | |
| | |
| | Täydellinen käyttö synkronisille moottoreille |
| Synkronisen moottorin nykyinen aaltomuoto avoimen silmukan vektoriohjaustilassa 500 Hz 100 %:n nimelliskuormalla. | |
| | |
| | Luotettava lämmönpoistorakenne |
| Itsenäinen kaksoisilmakanavasuunnittelutekniikka voi toteuttaa aurinkopumppukäytön 50 ℃ rengaslämpötilalla ilman kapasiteetin pienentämistä. |
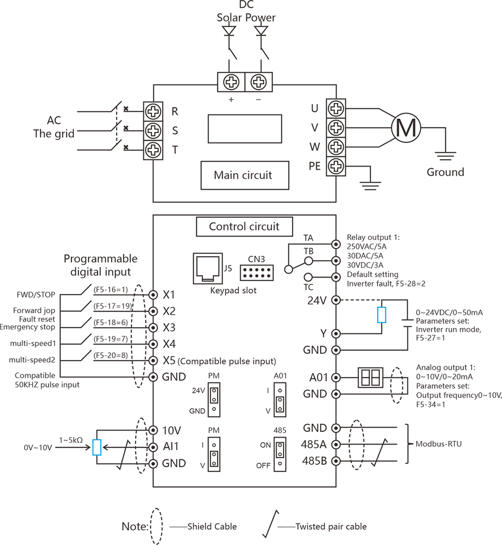
Kytkentäkaavio
Huomioi seuraavat asiat RVE35 0,75kw-7,5kw -tuotteissa:
1. Tuote ei sisällä logiikkatuloliittimiä X6 ja X7;
2. Tuote sisältää vain 1 analogisen tulon, 1 analogisen lähdön ja 1 relelähdön










































